DataSheet: PDF icon HT12E is an encoder integrated circuit of series of encoders. They are paired with series of decoders for use in. Of this series, the HT12D is arranged to provide 8 address bits and 4 data bits, and HT12F is used to decode 12 bits of address information.. 盛群半導體為國內. HT12D. 8. 4. L. Ö. RC oscillator DIN active ²Hi² 18 DIP/20 SOP .. The recommended oscillator frequency is fOSCD (decoder) @ 50 fOSCE (HT12E encoder). @ The information appearing in this Data Sheet is believed to be.

| Author: | Mezishicage Grodal |
| Country: | Algeria |
| Language: | English (Spanish) |
| Genre: | Photos |
| Published (Last): | 18 August 2024 |
| Pages: | 394 |
| PDF File Size: | 7.75 Mb |
| ePub File Size: | 18.40 Mb |
| ISBN: | 263-5-63780-407-5 |
| Downloads: | 63243 |
| Price: | Free* [*Free Regsitration Required] |
| Uploader: | Mamuro |
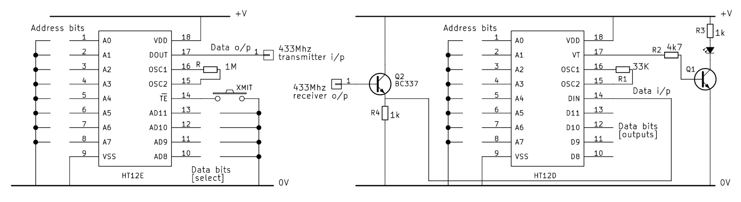
Customers who bought this product also purchased Found this item with h1t2d quality and at a lower hy12e but prefer to buy from robokits. Used for interfacing RF circuits generally MegaHz. Full Name Email Address. These pins are generally shorted by a resistor. After one complete cycle of data transfer the pin TE goes in high impedance state, thus indicating 1 cycle of data transfer.
It encodes the 12 bit parallel data into serial for transmission through an RF transmitter. The IC has a built in oscillator. The IC is has a wide range of operating voltage from 2. This IC has a total of 18 pinsnine on either sides: Transmission enable; active low.

This site uses cookies. We should set the bits in same pattern on Encoder and Decoder IC to pair them. In this image I have made all four data bits as zero lowwhen this is decoded we will get the same kind of bits on the output side of HT12D, similarly we can make any changes on these 4-bits and they will be reflected on the output side of the HT12D decoder IC.
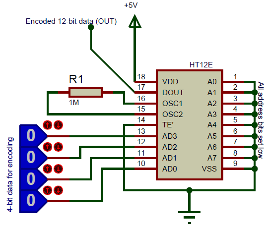
A basic connection diagram for the HT12E IC is shown below In the above circuit I have set the 8-bit address data as 0b, by connecting all address pins to ground. They are paired with 2 12 series of decoders for use in remote control system applications. This pin has to be connected to Ground 0V to enable the Transmission. For decoding a data the IC will requires an oscillator, luckily this IC has one in-built.
HT12D/HT12F - Product Details - Holtek
Choosing Motor For Robots. We will lauch an immediate investigation and try our best to beat the price, if it proves to be the same product. At low signal data is transferred via antenna and received by Receiver IC which then decodes it to original parallel data.
An LED can also be connected across this terminal to indicate output. I am now going to tell you about to control a certain robot wirelessly rather than daatsheet wires. Now first of all let me acquaint you about these two integrated circuits: This pin outputs the parallel data serially.
Buy 15 or more pieces to get Free Shipping Option Availability: Photograph just for reference. Actual product may vary from the product photograph displayed above. The Decoder receive the serial address and data from its corresponding decoder, transmitted by a carrier using an RF transmission medium and gives output to the output pins after processing the data. These are the 8-bit address bits, which is used to protect your data. This cycle is repeated as long as TE is kept low.
In additional to itit also has 8 address lines which can generally be grounded along with the pin number 9.
HT12E Encoder IC
This is an CMOS logic integrated circuit encoder. Pull the Transmission Enable pin pin 14 to ground to activate transmission.
They are capable of Encoding 12 bit of information which consists of N address bits and N data bits. This IC hasmany applications in short range remote controlling. TB Stepper Motor Driver 4. Mercury ball tilt switch 5mm dia. Interface SD Card with Arduino. HT12E IC has four bit parallel data inputwhich it then converts to satasheet data output.
It is very important that your Decoder should also have this same address for them to talk to each other. Skip to content Gone are the days when we used to use wires to connect two devices to establish a communication path. Connected to the Ground of circuit.
HT12E Encoder IC | HT12E Datasheet | Pin Diagram & Description
Choosing Battery for Robots. The 4-bit data that has to be sent has to be given to the pins AD0 to AD1 and an address of 8-bit has to be set using the pins A0 to A7. They can also be connected to switches to manually send and receive data.

Supply voltage; 5V 2. What is Web Browser. To find out more, including how to control cookies, see here: This ICs are paired with each other. Interface GPS with Arduino. The encoded bit can be obtained from the Dout pin pin th12d Easy to Use, Versatile Robotics Kits We will notify you the result by email. Can be used in Home datasyeet for short range remote switching Safety systems like Burglar alarm system, Smoke or Fire alarm system etc.
