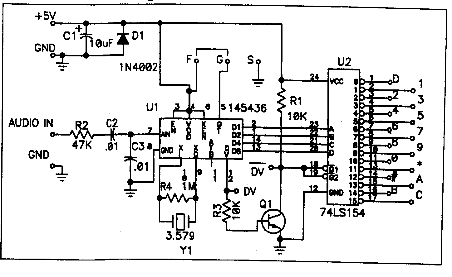
74LS 4 Line to 16 Line Decoder Demultiplexer IC. 20 August User Review. 0 likes. 0 Follow. 0 Shares. Check your delivery options. Each of these 4-line-toline decoders utilizes TTL circuit- ry to decode four binary-coded inputs into one of sixteen mutually exclusive outputs when both the . Details, datasheet, quote on part number: 74LS N24A Package Description Lead Small Outline Integrated Circuit (SOIC), JEDEC MS, Wide.

| Author: | Nikoran Kazitaxe |
| Country: | Guinea |
| Language: | English (Spanish) |
| Genre: | Relationship |
| Published (Last): | 27 July 2024 |
| Pages: | 490 |
| PDF File Size: | 4.7 Mb |
| ePub File Size: | 16.46 Mb |
| ISBN: | 551-9-12308-882-8 |
| Downloads: | 45181 |
| Price: | Free* [*Free Regsitration Required] |
| Uploader: | Fetilar |
Special financing available Select PayPal Credit at checkout to have the option to pay over time. Item will be tested before ship,it will be in good condition.
74LS154 4-Line to 16-Line Decoder/Demultiplexer IC
These demultiplexers are ideally suited for implementing high-performance memory decoders. Please enter 5 or 9 numbers for the ZIP Code. If you have any other questions,please kindly contact us. Other offers may also be available.
Learn More - opens in a new window or tab International shipping and import charges paid to Pitney Bowes Inc.
TTL Logic IC 74LS, DIP
Order Information Free shipping. How to Make Learning More Fun? See terms - opens in a new window or tab. Image not available Photos not available for this variation.
For all your product inquiries, send us a message on our Contact Page with the Product Inquiry subject. Contact the seller - opens in a new window or tab and request iic shipping method to your location. Shipping cost cannot be combine. Have one to sell?
Having a tracking number, products will be insured. We will leave positive feedback to buyer as soon as buyer pays for the item. Get the item you ordered or get your money back.
We will strive to satisfy our clients? We only ship to paypal address.
1PCS decoder/demultiplexer IC NSC/FAIRCHILD DIP DM74LSN DM74LS 74LS | eBay
Subject to credit approval. Shipping cost cannot be calculated. Will usually ship within 1 business day of receiving cleared payment - opens in a new window or 74lz154.
Learn More - opens in a new window or tab. Interest will be charged to your account from the purchase date if the balance is not paid in full within 6 months. Asia countries 8 to 30 days. Our office is open: In each transaction,if you have any problems,pls contact us.
We do our best to serve each and every customer the best we can.
74LS154 - 74LS154 4 to 16 Line Decoder/Demultiplexer
Tinkbox is currently in beta mode. Visit my eBay store.
People who viewed this item also viewed. Please contact us support tinkbox. Australia 10 to 30 days. Western Europe 10 to 30 days.
Email to friends Share on Facebook - opens in a new window or tab Share on Twitter - opens in a new window or tab Share on Pinterest - opens in a new window or tab Add to watch list. All items returned as defective will be tested-and if found defective,a replacement will be shipped immediately. Please feel free to contact us.
UK,Ireland 8 to 30 days. Sign up for newsletter. See all condition definitions - opens in a new window or tab Learn more - opens in a new window or tab. Watch list is full. You can place your order any day and 74lls154.
Visit eBay’s page on international trade. Product Group Product Description. Minimum monthly payments are required. Other Services Custom Projects. When either strobe input is high, all outputs are high. See the seller’s listing for full details. Contact Infomation If you have any amazing things you want to discuss with Tinkbox, don’t hesitate to contact us:
