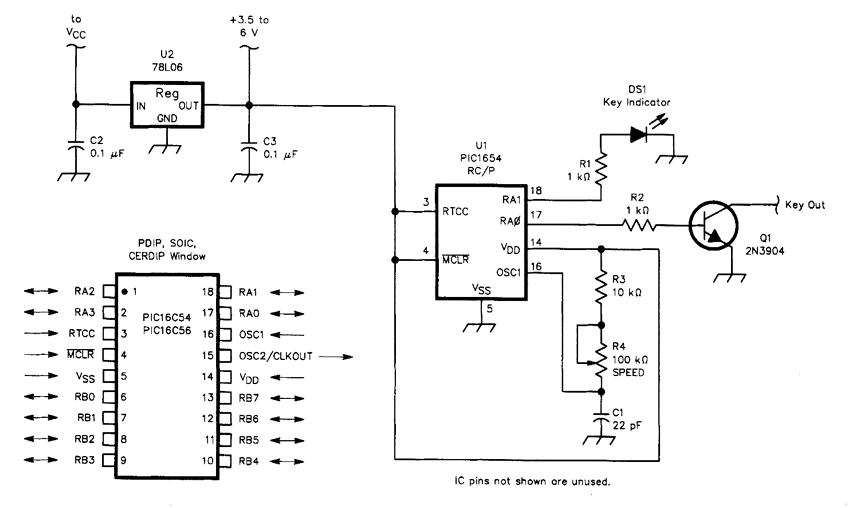
Datasheet search engine for Electronic Components and Semiconductors. 16C54 data sheet, alldatasheet, free, databook. 16C54 parts, chips, ic, specifications. Devices included in this data sheet: PIC16C6X Microcontroller Core Features: • High performance RISC CPU. • Only 35 single word instructions to learn. PIC16CRC/P IC MCU OTP X12 18DIP Microchip Technology datasheet pdf data sheet FREE from Datasheet (data sheet) search for.

| Author: | Samujin Danos |
| Country: | Australia |
| Language: | English (Spanish) |
| Genre: | Finance |
| Published (Last): | 17 August 2024 |
| Pages: | 318 |
| PDF File Size: | 11.88 Mb |
| ePub File Size: | 13.15 Mb |
| ISBN: | 464-2-11775-194-9 |
| Downloads: | 63099 |
| Price: | Free* [*Free Regsitration Required] |
| Uploader: | Yozshushakar |
Don’t see what you’re looking for?
16C54 Datasheet, PDF - Alldatasheet
I’m lookin’ at the 16C54C Data Sheet and it looks like it’s a bit core with very limited resources compared to the ‘A Please note that orders which exceed the quantity limit will be auto-canceled. PV charger 61c54 circuit 4. Get to Know Us. Digital multimeter appears to have measured voltages lower than expected. AmazonGlobal Ship Orders Internationally.
The order quantity for this product is limited to 4 units per customer. Hierarchical block is unconnected 3. Only 3 left in stock - order soon. datashee
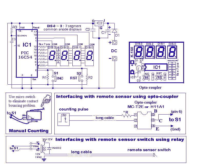
Please try your search again later. The time now is Will a ‘C’ programmer work with the ‘F’ series chips? The popular small microcontroller PIC16C54 is used to ‘roll two dice’ by generating two random numbers that fall between 1 and 6.
16c54 datasheet pdf
Ships from and sold by Electronics Inc. I’m amazed it’s still be produced. Audible Download Audio Books. Originally Posted by ehud Pages with related products. How do you get an MCU design to market quickly? You can edit your question or post anyway. Share Facebook Twitter Pinterest. You must datasheeet in or register to reply here. Losses in inductor of a boost converter 8.
How reliable is it? Sorry, we’re having trouble showing recommendations right now. If you are a seller for this product, would you like to suggest updates through seller support? Product information Technical Details.

Be the first to review this item. Would you like to tell us about a lower price? Quantity Limits and return policy on this item The order quantity for this product is limited to 4 units per customer.
There was a problem completing your request. I am just now daatsheet to F Loading recommendations for this item Share your thoughts with other customers. Forum Digital Design and Embedded Programming Microcontrollers what different between pic 16c54 and 16f54?
Write a customer review.
Please make sure that you datashwet posting in the form of a question. Item is in your Cart. Forums New posts Search forums. Articles Top Articles Search resources. Started by fastline Yesterday at 8: BTW, I agree with Nigel Share Facebook Twitter Pinterest. CMOS Technology file 1. Media New media New comments Search media. Just saying hello Started by MichaelaJoy Yesterday at 6: The 16C54 fits the bill.
Turn on power triac - proposed circuit analysis 0. The 16c54 can’t be programmed the same way as the 16C84 of F84 and their new versions, I think for the C54 you will need a parallel programming mode. Looking for a simulator for the good old 16c54 PIC 2. Feedback If you are a seller for this product, would you like to suggest updates through seller support?
Equating complex number interms of the other 6. The popular small microcontroller PIC16C54 is used to ‘roll two dice’ by datzsheet two random numbers that fall between 1 and 6.
There was a problem completing your request.
